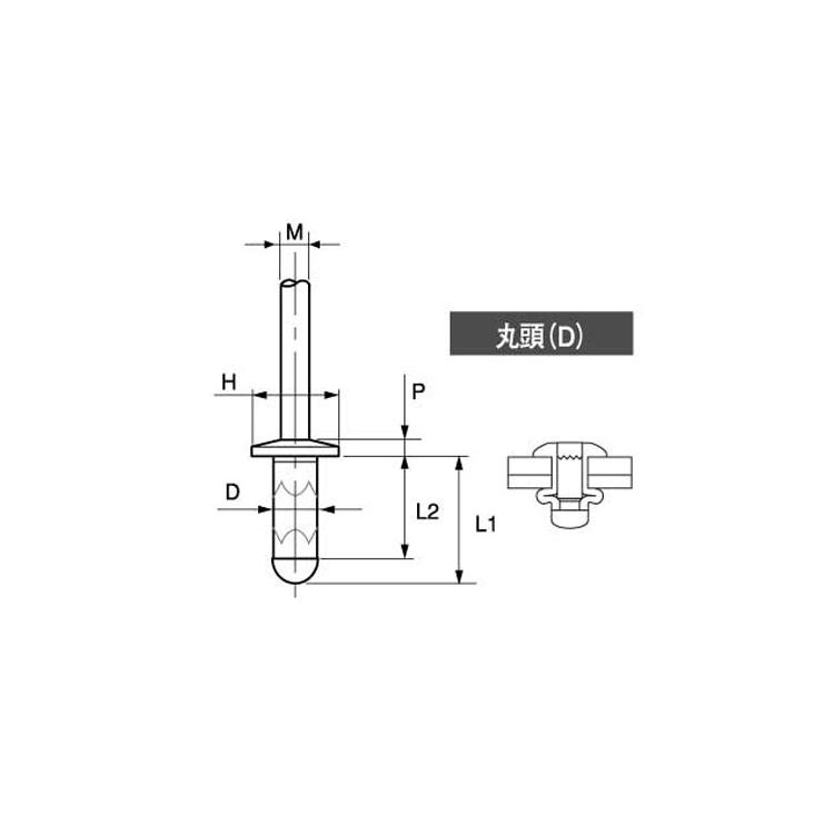
SD**HR(鉄−鉄)【1000個】POPリベット SD 53HR 標準(または鉄)/三価ホワイト

商品画像は白黒のため、実際の商品とは異なります。