AWES/アウス 防水用床排水トラップ・横型 D-5BY 40

D5BY40防水用床排水トラップ・横型 D-5BY 40
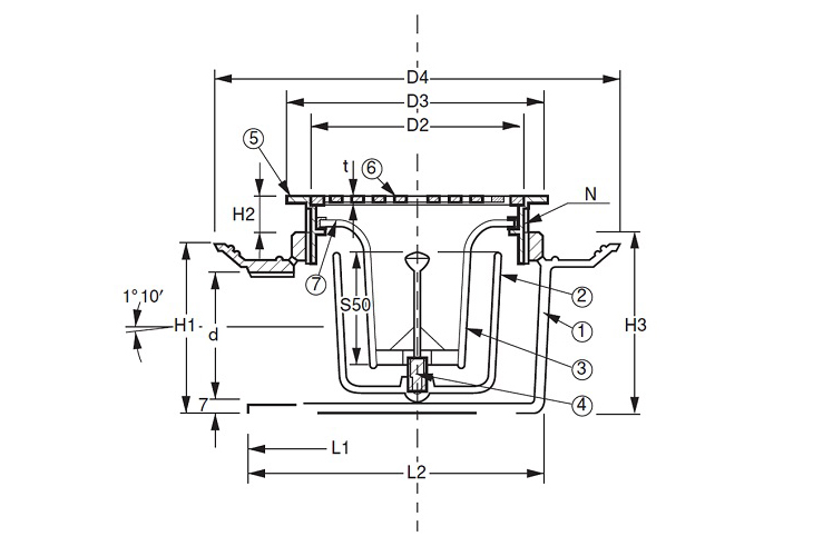
●ストレーナ―は落とし込み式。
●接続(d)は管用テーパーネジ(RC)
●40Aは底のゲタはありません。別売のツナギニップルがあります。








D5BY40