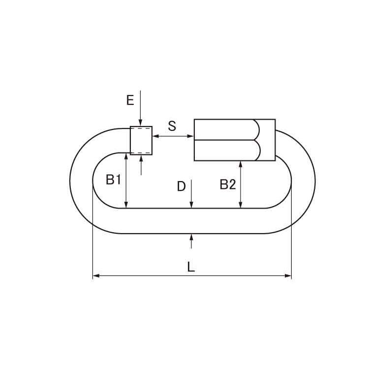
リングキャッチ【1個】リングキャッチ SH-13 ステンレス(303、304、XM7等)/生地(または標準)

商品画像は白黒のため、実際の商品とは異なります。