(−)皿小ねじ 4 X 10 ステンレス 生地 【1000本】
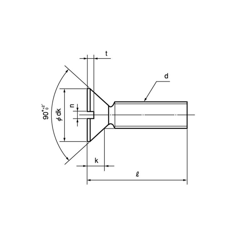
上面が平らで座面が円錐形という形状の頭をしています。呼び長さを表すとき、ほかのねじでは軸の部分の長さを表すことが多いのですが、皿小ねじでは頭からの長さを表しますので、同じ呼び長さのほかのねじより、短く見えることがあります。頭部を出っ張らせたくないとき、締結する部材と面一にしたいときに使います。ただし、座面の円錐形に合わせた「ザグリ加工」を、あらかじめ部材に施すことが必要です。この加工が不十分だと、頭部が出っ張ってしまいします。ザグリ加工は「皿もみ」とも呼ばれます。"}


