有孔ボード
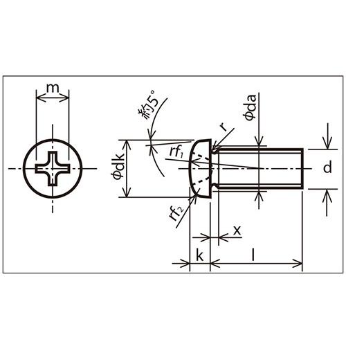
【特長】十字穴付きのなべ頭小ねじです。頭部が出ても差し支えない所に使われます。ステンレス鋼(SUSXM7、SUS305)なので耐食性、耐熱性に優れています。【用途】ボルトに比べ小さな部材の一般的な締結に使用します。耐食性に優れていますので湿気の多い場所、屋外にある物に使用します。●この商品は、当店以外でも販売していただいている商品です。タイミングにより、ご注文後在庫切れになる可能性がございます。その際はこちらからご連絡差し上げます。予めご了承のほどお願い申し上げます。●商品画像はイメージ画像です。実際の商品とは色目、長さ、大きさなどが違います。

