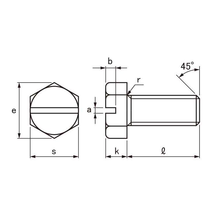
(−)六角ボルト(全ねじ)【500個】ステン(-)6カクBT(ゼン 5 X 20 ステンレス(303、304、XM7等)/BK(SUS黒染め)

商品画像は白黒のため、実際の商品とは異なります。

サイズの表記は
「呼び径d(ねじの径)×長さL(図面上のLの長さ)」になります。