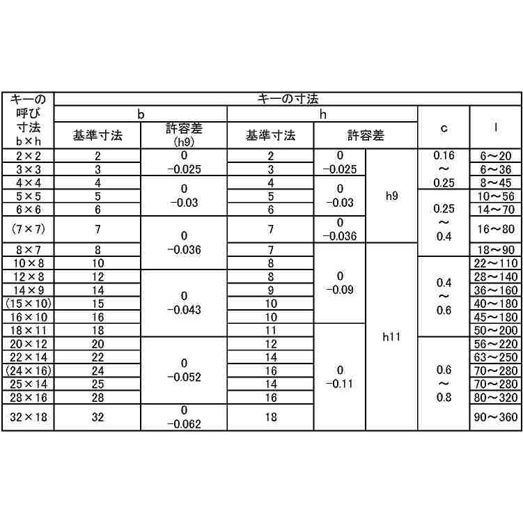
片丸キー(JIS(セイキSS製【1個】S45C JISカタマルキー 36X20X135 標準(または鉄)/生地(または標準)

商品画像は白黒のため、実際の商品とは異なります。